DLP619
DLP619
Graafmachine
nieuwe
Gieten
HRC63
Volgens klantvereisten
China
Graafmachine emmer
CE
DLP619
Cr White Iron en Mild Steel
OEM
150mmx75mmx60mm
8431499900
1. Beschrijving:
Naam: Draagstaven DLP619
beschrijvingen:
Materiaal: Cr wit ijzer en zacht staal
Hardheid: HRC63
Gemakkelijk te snijden - zodat u de bescherming aan verschillende specificaties kunt aanpassen
Gemakkelijk te buigen - biedt bescherming op een oppervlak met contouren.
Gebruik gladde staven met vooraf ingekerfde steunplaat.
Verkrijgbaar in 5 maten - met standaard of vooraf gekerfde steunplaat.
toepassingen:
Emmerslijtstrips.
Vervangt de harde bekleding voor vijzels, richtingsboorkoppen, funderingsboringen, boor de boring op.
Bladen voor ventilatoren.
Pug molenpeddels, tip en krabbers.
Recyclingindustrie.
Skateboards en pickbeschermers.
Vervangt de harde bekleding voor pomphuizen en impellors
2. Toepassing:
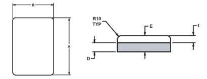
3.Populaire items blazen voor referentie:
| Onderdeel nr. | A (mm) | B (mm) | C (mm) | D (mm) | E (mm) | Gewicht (kg) |
| DLP-1920 | 75 | 25 | 17 | 8 | 25 | 0.7 |
| DLP-1921 | 100 | 50 | 17 | 8 | 25 | 1.1 |
| DLP-1994 | 100 | 70 | 24 | 8 | 32 | 1 |
| DLP-2196 | 130 | 80 | 15 | 8 | 23 | 1.3 |
| DLP-4771 | 148 | 108 | 25 | 10 | 35 | 2.3 |
| Onderdeel nr. | A (mm) | B (mm) | C (mm) | D (mm) | E (mm) | Gewicht (kg) |
| DLP 4 | 300 | 38 | 25 | 8 | 33 | 3 |
| DLP 295 | 153 | 38 | 25 | 8 | 33 | 1.6 |
| DLP 508 | 190 | 50 | 20 | 10 | 30 | 2.3 |
| DLP 125 | 230 | 50 | 38 | 12 | 50 | 4.6 |
| DLP 1101 | 150 | 50 | 40 | 10 | 50 | 3 |
| DLP 528 | 150 | 75 | 40 | 10 | 50 | 4.5 |
| DLP 619 | 150 | 75 | 50 | 10 | 60 | 5.3 |
| Een deel # | A (mm) | B (mm) | C (mm) | D (mm) | E (mm) | Gewicht (kg |
| SB 413 | 200 | 150 | 20 | 25 | 45 | 10.5 |
| SB 412 | 250 | 150 | 20 | 25 | 45 | 13.1 |
| SB 414 | 250 | 250 | 20 | 25 | 45 | 22 |
4. Onze productielijn:
5.Bedrijfsinformatie
Ningbo Beneparts Machinery co., Ltd als uw betrouwbare GET-onderdelenleverancier, biedt een volledig assortiment vervangingsonderdelen die geschikt zijn voor alle soorten grondverzetmachines die van toepassing zijn op mijnbouw, constructie, landbouw enz. Zoals graafmachine, bulldozer, lader, graafmachine, schraper, breker en spoedig. De vervangende onderdelen die wij leveren, inclusief gietonderdelen zoals bak tanden, adapter, lipmantel, beschermer, ripper schacht etc. en gesmede onderdelen zoals gesmede bak tanden, snijrand, nivelleermessen, segment, eindbit etc. en ook slijtvaste onderdelen zoals chocky bars, slijtage knoppen, chroom gecombineerde slijtage plaat etc. en bijpassende onderdelen zoals pin, wasmachine, bouten en moeren etc .. Onze onderdelen dekken machine merken Caterpillar, Komatsu, Volvo Doosan, Daewoo, Hyundai, Case, JCB, Kobelco, Liebherr John Deere etc.
Beneparts heeft een zeer sterk verkoopteam en heeft een krachtige medewerking aan de fabrikant met hightech en focus op kwaliteit met meer dan 28 jaar ervaring.
Onze voordelen zijn viervoudig, onze:
1. sterk technisch team, en we hebben de mogelijkheid om materialen te formuleren om meetthe specifieke behoeften van projecten van onze klant.
2. Perfect kwaliteit monitoring systeem, en volledige bereik van geavanceerde faciliteiten, zoals Component analyze machine, impact Machine, treksterkte machine etc.
3. Rijke ervaring om OEM / ODM zaken te doen, kunnen wij punten vanaf tekeningen en steekproeven ontwikkelen als u specifieke vereiste hebt.
4. Efficiënt beheer, wij kunnen korte levertijd en wij hebben de goede naverkoopdienst die samenwerking op lange termijn met onze klanten houden.
Onze toewijding aan u biedt altijd een snelle, gemakkelijke en effectieve klantenservice.
Zie er naar uit je te ontmoeten!
1. Beschrijving:
Naam: Draagstaven DLP619
beschrijvingen:
Materiaal: Cr wit ijzer en zacht staal
Hardheid: HRC63
Gemakkelijk te snijden - zodat u de bescherming aan verschillende specificaties kunt aanpassen
Gemakkelijk te buigen - biedt bescherming op een oppervlak met contouren.
Gebruik gladde staven met vooraf ingekerfde steunplaat.
Verkrijgbaar in 5 maten - met standaard of vooraf gekerfde steunplaat.
toepassingen:
Emmerslijtstrips.
Vervangt de harde bekleding voor vijzels, richtingsboorkoppen, funderingsboringen, boor de boring op.
Bladen voor ventilatoren.
Pug molenpeddels, tip en krabbers.
Recyclingindustrie.
Skateboards en pickbeschermers.
Vervangt de harde bekleding voor pomphuizen en impellors
2. Toepassing:
3.Populaire items blazen voor referentie:
| Onderdeel nr. | A (mm) | B (mm) | C (mm) | D (mm) | E (mm) | Gewicht (kg) |
| DLP-1920 | 75 | 25 | 17 | 8 | 25 | 0.7 |
| DLP-1921 | 100 | 50 | 17 | 8 | 25 | 1.1 |
| DLP-1994 | 100 | 70 | 24 | 8 | 32 | 1 |
| DLP-2196 | 130 | 80 | 15 | 8 | 23 | 1.3 |
| DLP-4771 | 148 | 108 | 25 | 10 | 35 | 2.3 |
| Onderdeel nr. | A (mm) | B (mm) | C (mm) | D (mm) | E (mm) | Gewicht (kg) |
| DLP 4 | 300 | 38 | 25 | 8 | 33 | 3 |
| DLP 295 | 153 | 38 | 25 | 8 | 33 | 1.6 |
| DLP 508 | 190 | 50 | 20 | 10 | 30 | 2.3 |
| DLP 125 | 230 | 50 | 38 | 12 | 50 | 4.6 |
| DLP 1101 | 150 | 50 | 40 | 10 | 50 | 3 |
| DLP 528 | 150 | 75 | 40 | 10 | 50 | 4.5 |
| DLP 619 | 150 | 75 | 50 | 10 | 60 | 5.3 |
| Een deel # | A (mm) | B (mm) | C (mm) | D (mm) | E (mm) | Gewicht (kg |
| SB 413 | 200 | 150 | 20 | 25 | 45 | 10.5 |
| SB 412 | 250 | 150 | 20 | 25 | 45 | 13.1 |
| SB 414 | 250 | 250 | 20 | 25 | 45 | 22 |
4. Onze productielijn:
5.Bedrijfsinformatie
Ningbo Beneparts Machinery co., Ltd als uw betrouwbare GET-onderdelenleverancier, biedt een volledig assortiment vervangingsonderdelen die geschikt zijn voor alle soorten grondverzetmachines die van toepassing zijn op mijnbouw, constructie, landbouw enz. Zoals graafmachine, bulldozer, lader, graafmachine, schraper, breker en spoedig. De vervangende onderdelen die wij leveren, inclusief gietonderdelen zoals bak tanden, adapter, lipmantel, beschermer, ripper schacht etc. en gesmede onderdelen zoals gesmede bak tanden, snijrand, nivelleermessen, segment, eindbit etc. en ook slijtvaste onderdelen zoals chocky bars, slijtage knoppen, chroom gecombineerde slijtage plaat etc. en bijpassende onderdelen zoals pin, wasmachine, bouten en moeren etc .. Onze onderdelen dekken machine merken Caterpillar, Komatsu, Volvo Doosan, Daewoo, Hyundai, Case, JCB, Kobelco, Liebherr John Deere etc.
Beneparts heeft een zeer sterk verkoopteam en heeft een krachtige medewerking aan de fabrikant met hightech en focus op kwaliteit met meer dan 28 jaar ervaring.
Onze voordelen zijn viervoudig, onze:
1. sterk technisch team, en we hebben de mogelijkheid om materialen te formuleren om meetthe specifieke behoeften van projecten van onze klant.
2. Perfect kwaliteit monitoring systeem, en volledige bereik van geavanceerde faciliteiten, zoals Component analyze machine, impact Machine, treksterkte machine etc.
3. Rijke ervaring om OEM / ODM zaken te doen, kunnen wij punten vanaf tekeningen en steekproeven ontwikkelen als u specifieke vereiste hebt.
4. Efficiënt beheer, wij kunnen korte levertijd en wij hebben de goede naverkoopdienst die samenwerking op lange termijn met onze klanten houden.
Onze toewijding aan u biedt altijd een snelle, gemakkelijke en effectieve klantenservice.
Zie er naar uit je te ontmoeten!